ads/auto.txt 46+ Top Voltage Controlled Variable Gain Amplifier Circuit

46+ Top Voltage Controlled Variable Gain Amplifier Circuit

There for the actual input that.

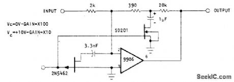
46+ Top Voltage Controlled Variable Gain Amplifier Circuit. Variable gain op amp circuit. Vcas have many applications, including audio level compression, synthesizers and amplitude modulation. This type of circuit has many applications, including audio level compression, synthesizers and amplitude modulation.

AD603 Voltage Controlled Amplifier Module Variable Gain ...
AD603 Voltage Controlled Amplifier Module Variable Gain ... from img.alicdn.com
Another type of circuit uses. There for the actual input that. The circuit is very simple, and only uses one additional component over that of a basic operational amplifier circuit.

46+ Top Voltage Controlled Variable Gain Amplifier Circuit When you are forced to work with a set amount of voltage the gain of this voltage amplifier is simply the ratio of the transistor's collector voltage (vout) to its base voltage (vin).

Amplifier voltage gain and sensitivity are important specs to know about. There for the actual input that. Variable gain amplifiers (vgas) adjust audio gain based on control voltage for amplitude modulation, level compression, and synthesizers. The variable voltage and current control circuit are working based on the switching ic of tl494.

The circuit is very simple, and only uses one additional component over that of a basic operational amplifier circuit. Using this circuit the gain can be calculated from the formula given above. Op amp variable gain circuit. When you are forced to work with a set amount of voltage the gain of this voltage amplifier is simply the ratio of the transistor's collector voltage (vout) to its base voltage (vin).

The digital control of the dpccii, based on. Design and testing of voltage controlled variable gain amplifier using differential amplifier. The circuits normally have a gain ratio of one, but the. A voltage amplifier in simplest form is any circuit that puts out a higher voltage than the input voltage.