ads/auto.txt 33+ Top 5.1 Channel Amplifier Circuit Diagram Pdf

33+ Top 5.1 Channel Amplifier Circuit Diagram Pdf

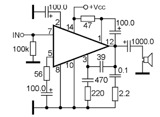
Sir, i want to make 5.1channel150 watt amplifier.

33+ Top 5.1 Channel Amplifier Circuit Diagram Pdf. 150 watt amplifier circuit diagram. Ic ns8002 pin 1 is called as sd pin, this amplifier enters into shutdown mode when. It produces fantastic displays on three led bars that can be individually adjusted for any particular frequency range.

Pyle PT570AU 350W 5.1 Channel Amplifier Home Theater ...
Pyle PT570AU 350W 5.1 Channel Amplifier Home Theater ... from www.vminnovations.com
This circuit is given by emmanuel. Schematic shows left channel only. Home theater circuit diagram 5.1.

33+ Top 5.1 Channel Amplifier Circuit Diagram Pdf Home theater circuit diagram 5.1.

Circuits with operational amplifiers can be designed to operate in both of these regions. While most amplifiers come without adequate input sensitivity and hardly any room within their enclosure, independent low. The complete common emitter transistor amplifier circuit is indicated below: Complete circuit diagram projects list pdf.

It produces fantastic displays on three led bars that can be individually adjusted for any particular frequency range. The first thing we need to do is choose an operating point for the amplifier. Center tap transformer for transistor amplifier. This circuit is intended to be placed in the same box containing the loudspeaker, forming a compact microphone amplifier primarily intended for speech reinforcement.

Making 5.1 channel power amplifier and speaker set up , step by step complete circuit diagram of power amplifier and tone filter. A bridge amplifier connection is structured as shown above. Since our circuit is linear, the voltage at node 1 can be found by considering the principle of superposition. How to make an amplifier using transistor ttc5200.